
Сифон для раковины Bonomini Magikone 9533PP54B0
Сифон для мойки Bonomini 1 1/2-40 мм, с выпуском 70 мм, 1279CP40B0
Сифон для писсуара горизонтальный Bonomini 3890GZ50B2WZ
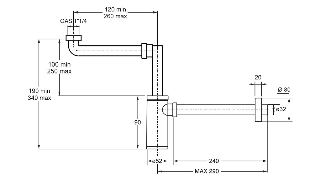
Сифон для раковины BONOMINI (0220ZX22K7WZ)
Сифон для стиральной и п/машины Bonomini Styling 3530CR32K7WZ
Сифон для душевого поддона Bonomini 5890CR80B2WZ

Cифон для стиральной и посудомоечной машины под штукатурку BONOMINI (3200EC50B9WZ)
Сифон двойной для стиральной и посудомоечной машины BONOMINI (3590GZ24B0)
Сифон для раковины хром Bonomini Inoxmater 0581CX32K7WZ
Сифон для душевого поддона BONOMINI 5290IX12B7WZ
Сифон для раковины BONOMINI (2795SP32B0WZ)
Сифон для раковины хромированный цилиндрический Bonomini King 0595PR25K7 Италия
Сифон для стиральной и п/машины Bonomini Styling 3530GZ32B0WZ